Sign In | Join Free | My components-electronic.com
China TAKFLY COMMUNICATIONS CO., LTD. logo
TAKFLY COMMUNICATIONS CO., LTD.
Make FTTH spread all over the world, and make better connectivity for a better life
Verified Supplier

5 Years

Home > Optical Transceiver Module >

1.25Gbps SFP Bi-Directional Transceiver, 20KM Reach Tx1310nm/Rx1490nm

TAKFLY COMMUNICATIONS CO., LTD.
Trust Seal
Verified Supplier
Credit Check
Supplier Assessment
Contact Now

1.25Gbps SFP Bi-Directional Transceiver, 20KM Reach Tx1310nm/Rx1490nm

  • 1
  • 2

Brand Name : TAKFLY

Model Number : TK-Bxx92-3LCD20

Certification : CE,ROHS,REACH,ISO9001,ISO14001

Place of Origin : Guangdong, SHENZHEN

MOQ : 1 Pices

Price : US$0.01 ~ US$1200/PC

Payment Terms : L/C, D/A, D/P, T/T, Western Union, MoneyGram

Delivery Time : 3-7working days

Ratio : 50/50

Center Wavelength : 1450nm

Insertion Loss : ≤0.3dB

Package Weight : 10g

Package Type : Bare Fiber, 900um Loose Tube, 2mm Cable

Wavelegth : 1310nm

Axis Alignment : Slow axis or Fast axis

Wavelength Range : 1310nm, 1550nm

Application : Optical Communication Systems

Splitter Ratio : 98/2

Storage Temperature : -40~+85℃

Port Number : 1x2

Fiber Length : 1m

Fiber : PM Corning 980nm fiber

Power Handling Capacity : High Power

Contact Now

Description
  • The SFP-BIDI transceivers are high performance, cost effective modules supporting dual data-rate of 1.25Gbps/1.0625Gbps and 20KM transmission distance with SMF.
  • The transceiver consists of three sections: a FP laser transmitter, a PIN photodiode integrated with a trans-impedance preamplifier (TIA) and MCU control unit. All modules satisfy class I laser safety requirements.
  • The transceivers are compatible with SFP Multi-Source Agreement (MSA) and SFF-8472. For further information, please refer to SFP MSA.

Features

  • Dual data-rate of 1.25Gbps/1.063Gbps operation
  • 1310nm FP laser and PIN photodetector for 20KM transmission
  • Compliant with SFP MSA and SFF-8472 with simplex LC receptacle
  • Digital Diagnostic Monitoring: Internal Calibration or External Calibration
  • Compatible with SONET OC-24-LR-1
  • Compatible with RoHS
  • +3.3V single power suppl
  • Operating case temperature range: 0 °C to +70 °C (Commercial)/-40 °C to +85 °C (Industrial)

Applications

  1. Gigabit Ethernet
  2. Fiber Channel
  3. Switch to Switch interface
  4. Switched backplane applications
  5. Router/Server interface
  6. Other optical transmission systems

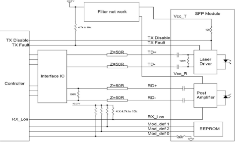
Module Block Diagram

1.25Gbps SFP Bi-Directional Transceiver, 20KM Reach Tx1310nm/Rx1490nm

Absolute Maximum Ratings

Parameter Symbol Min Typ Max Unit Ref.
Maximum Supply Voltage Vcc -0.5 4.7 V
Storage Temperature TS -40 85 °C
Case Operating Temperature TOP 0 70 °C

Electrical Characteristics (TOP = 0 to 70℃, VCC = 3.15 to 3.60Volts)

Parameter Symbol Min Typ Max Unit Ref.
Supply Voltage Vcc 3.15 3.3 3.6 V
Supply Current Icc 185 280 mA
Transmitter
Input differential impedance Rin 100 Ω 1
Single ended data input swing Vin,pp 250 1200 mV
Transmit Disable Voltage VD Vcc–1.3 Vcc V
Transmit Enable Voltage VEN Vee Vee+ 0.8 V 2
Transmit Disable Assert Time 10 us
Receiver
Single ended data output swing Vout,pp 250 800 mV 3
Data output rise time tr 100 175 ps 4
Data output fall time tf 100 175 ps 4
LOS Fault VLOS fault Vcc–0.5 VccHOST V 5
LOS Normal VLOS norm Vee Vee+0.5 V 5
Power Supply Rejection PSR 100 mVpp 6

Notes:

  1. Connected directly to TX data input pins. AC coupled thereafter.
  2. Or open circuit.
  3. Into 100 ohms differential termination.
  4. 20 – 80 %
  5. Loss Of Signal is LVTTL. Logic 0 indicates normal operation; logic 1 indicates no signal detected.
  6. Receiver sensitivity is compliant with power supply sinusoidal modulation of 20 Hz to 1.5 MHz up to specified value applied through the recommended power supply filtering network.

Electrical Input / Output Characteristics

Transmitter
Parameter Symbol Min. Typ Max. Unit Note
Diff. input voltage swing 120 820 mVpp 1

Tx Disable input

H VIH 2.0 Vcc+0.3

V

L VIL 0 0.8

Tx Fault output

H VOH 2.0 Vcc+0.3

V

2

L VOL 0 0.8
Input Diff. Impedance Zin 100 Ω
Receiver
Parameter Symbol Min. Typ Max. Unit Note
Diff. output voltage swing 340 650 800 mVpp 3

Rx LOS Output

H VOH 2.0 Vcc+0.3 V

2

L VOL 0 0.8

Notes:

1. TD+/- are internally AC coupled with 100Ω differential termination inside the module.

2. Tx Fault and Rx LOS are open collector outputs, which should be pulled up with 4.7k to 10kΩ resistors on the host board. Pull up voltage between 2.0V and Vcc+0.3V.

3. RD+/- outputs are internally AC coupled, and should be terminated with 100Ω (differential) at the user SERDES

Optical Characteristics

Transmitter

Parameter Symbol Min. Typ Max. Unit Note
Operating Wavelength λC 1260 1310 1360 nm
Ave. output power (Enabled) Po -9 -3 dBm 1
Extinction Ratio ER 10 dB 1
RMS spectral width Δλ 4 nm
Rise/Fall time (20%~80%) Tr/Tf 0.26 ps 2
Output Eye Mask Telcordia GR-253-CORE and ITU-T G.957 compatible
Notes:

1. Measure at 2^23-1 NRZ PRBS pattern

2. Transmitter eye mask definition

Receiver
Parameter Symbol Min. Typ Max. Unit Note
Operating Wavelength 1470 1510 nm
Sensitivity Psen -22 dBm 1
Min. overload Pimax -3 dBm
LOS Assert Pa -36 dBm
LOS De-assert Pd -24 dBm 2
LOS Hysteresis Pd-Pa 0.5 6 dB
Notes:

1. Measured with Light source 1310nm (1490nm), ER=10dB; BER =<10^-12 @PRBS=2^23-1 NRZ.

2. When LOS de-asserted, the RX data+/- output is signal output.

Pin Definitions and Functions

1.25Gbps SFP Bi-Directional Transceiver, 20KM Reach Tx1310nm/Rx1490nm1.25Gbps SFP Bi-Directional Transceiver, 20KM Reach Tx1310nm/Rx1490nm

PIN Name Function Notes
1 VeeT Tx ground
2 Tx Fault Tx fault indication, Open Collector Output, active “H” 1
3 Tx Disable LVTTL Input, internal pull-up, Tx disabled on “H” 2
4 MOD-DEF2 2 wire serial interface data input/output (SDA) 3
5 MOD-DEF1 2 wire serial interface clock input (SCL) 3
6 MOD-DEF0 Model present indication 3
7 Rate select No connection
8 LOS Rx loss of signal, Open Collector Output, active “H” 4
9 VeeR Rx ground
10 VeeR Rx ground
11 VeeR Rx ground
12 RD- Inverse received data out 5
13 RD+ Received data out 5
14 VeeR Rx ground
15 VccR Rx power supply
16 VccT Tx power supply
17 VeeT Tx ground
18 TD+ Transmit data in 6
19 TD- Inverse transmit data in 6
20 VeeT Tx ground

Notes:

  1. When high, this output indicates a laser fault of some kind. Low indicates normal operation. And should be pulled up with a 4.7 – 10KΩ resistor on the host board.
  2. TX disable is an input that is used to shut down the transmitter optical output. It is pulled up within the module with a 4.7 – 10KΩ resistor. Its states are: Low (0 – 0.8V): Transmitter on (>0.8, < 2.0V): Undefined High (2.0V~Vcc+0.3V): Transmitter Disabled Open: Transmitter Disabled
  • Mod-Def 0,1,2. These are the module definition pins. They should be pulled up with a 4.7K – 10KΩ resistor on the host board. The pull-up voltage shall be VccT or VccR.
  • Mod-Def 0 has been grounded by the module to indicate that the module is present Mod-Def 1 is the clock line of two wire serial interface for serial ID
  • Mod-Def 2 is the data line of two wire serial interface for serial ID
  1. When high, this output indicates loss of signal (LOS). Low indicates normal operation.
  2. RD+/-: These are the differential receiver outputs. They are AC coupled 100Ω differential lines which should be terminated with 100Ω (differential) at the user SERDES. The AC coupling is done inside the module and is thus not required on the host board.
  3. TD+/-: These are the differential transmitter inputs. They are AC-coupled, differential lines with 100Ω differential termination inside the module. The AC coupling is done inside the module and is thus not required on the host board.

Digital Diagnostic Functions

TAKFLY TK-B3424-3LCD20 transceivers support the 2-wire serial communication protocol as defined in the SFP MSA. It is very closely related to the E2PROM defined in the GBIC standard, with the same electrical specifications.

The standard SFP serial ID provides access to identification information that describes the transceiver’s capabilities, standard interfaces, manufacturer, and other information.

Additionally, TAKFLY SFP transceivers provide a unique enhanced digital diagnostic monitoring interface, which allows real-time access to device operating parameters such as transceiver temperature, laser bias current, transmitted optical power, received optical power and transceiver supply voltage. It also defines a sophisticated system of alarm and warning flags, which alerts end-users when particular operating parameters are outside of a factory set normal range.

The SFP MSA defines a 256-byte memory map in E2PROM that is accessible over a 2-wire serial interface at the 8bit address 1010000X (A0h). The digital diagnostic monitoring interface makes use of the 8 bit address 1010001X (A2h), so the originally defined serial ID memory map remains unchanged. The interface is identical to, and is thus fully backward compatible with both the GBIC Specification and the SFP Multi Source Agreement.

The operating and diagnostics information is monitored and reported by a Digital Diagnostics Transceiver Controller (DDTC) inside the transceiver, which is accessed through a 2-wire serial interface. When the serial protocol is activated, the serial clock signal (SCL, Mod Def 1) is generated by the host. The positive edge clocks data into the SFP transceiver into those segments of the E2PROM that are not write-protected. The negative edge clocks data from the SFP transceiver. The serial data signal (SDA, Mod Def 2) is bi-directional for serial data transfer. The host uses SDA in conjunction with SCL to mark the start and end of serial protocol activation. The memories are organized as a series of 8-bit data words that can be addressed individually or sequentially.Digital diagnostics for the TK-B3424-3LCD20 are Internally calibrated by default.

Typical Interface Circuit

1.25Gbps SFP Bi-Directional Transceiver, 20KM Reach Tx1310nm/Rx1490nm

Package Dimensions

1.25Gbps SFP Bi-Directional Transceiver, 20KM Reach Tx1310nm/Rx1490nm

Regulatory Compliance

Feature Reference Performance
Electrostatic discharge (ESD) IEC/EN 61000-4-2 Compatible with standards
Electromagnetic Interference (EMI) FCC Part 15 Class B EN 55022 Class B (CISPR 22A) Compatible with standards
Laser Eye Safety FDA 21CFR 1040.10, 1040.11 IEC/EN 60825-1, 2 Class 1 laser product
Component Recognition IEC/EN 60950, UL Compatible with standards
ROHS 2002/95/EC Compatible with standards
EMC EN61000-3 Compatible with standards


Product Tags:

Tx1310nm/Rx1490nm SFP Bi-Directional Transceiver

      

1.25Gbps SFP Bi-Directional Transceiver

      

20KM Reach SFP Bi-Directional Transceiver

      
Buy cheap 1.25Gbps SFP Bi-Directional Transceiver, 20KM Reach Tx1310nm/Rx1490nm product

1.25Gbps SFP Bi-Directional Transceiver, 20KM Reach Tx1310nm/Rx1490nm Images

Inquiry Cart 0
Send your message to this supplier
 
*From:
*To: TAKFLY COMMUNICATIONS CO., LTD.
*Subject:
*Message:
Characters Remaining: (0/3000)